Sanmu company is specialized manufacturer frequency electronic components in China
Products
Ceramic Filters
Ceramic Filters

LT Series of Ceramic Filter for Radio-Cassette Recorder(450-470kHz)



TECHNICAL CHARACTERISTICS

Part Number Insertion Loss (dB) Pass Band Width (KHz) Stop Band Att fo ±100KHz (dB) Selectivity 9 ±KHzoff (dB) Ripple (dB) input/ output Impedance (kΩ)
LT465A1 ≤3 ≥8 ≥12 ≥11 ≤1 2

Center Frequency (fo) is available in arange fo 450-470KHz
The nominal frequency tolerance is ± 2KHz

TEST CIRCUIT

CHARACTERISTICS

RECOMMENDED IFT(TMM SQUARE)

TECHNICAL CHARACTERISTICS

Part Number 3dB Band Width (KHz) Selectivity Insertion Loss (dB) Composition
-9kHzoff +9kHzoff
HLB455A 10±3 ≥5 ≥3 1 element
HLB455A 10±3 ≥5 ≥3 1 element with IFT

Center Frequency (fo) is available in arange fo 450-470KHz
The nominal frequency tolerance is ± 2KHz

TEST CIRCUIT

CHARACTERISTICS

PFH455A/455B Subminiature Type Ceramic Filters

Products Types Centre Frequency(KHz) Insertion Loss(dB) Band Width 3dB(KHz) Selectivity f?0£(+ -)9KHz (dB) Impedance Matching K ohm
PHF455A 455(+ -)2 <=6(3) 10(+ -)1.5 >5(12) 3
PHF455B 455(+ -)2 <=6(2) 5.5(+ -)1.5 >17(23) 3



Ceramic Filter for Communication Equipment?

Part No. 6dB Band width (KHz)min Selectivity Band width (KHz)max Stop Band Att.(dB) Insertion Loss (dB)max In/Output Impedance (ohm)
CFH CFL CFH CFL
CFH455B CFL455B (+ -)15 (+ -)30 27 35 4 1500
CFH455C CFL455C (+ -)12.5 (+ -)24 27 35 4
CFH455D CFL455D (+ -)10 (+ -)20 27 35 6
CFH455E CFL455E (+ -)7.5 (+ -)15 27 35 6
CFH455F CFL455F (+ -)6 (+ -)12.5 27 35 6 2000
CFH455G CFL455G (+ -)4.5 (+ -)10 35 45 6
CFH455H CFL455H (+ -)3 (+ -)9 40 60 6

SM Japan 6dB Band Width (KHz)man Selectity Band Width (KHz)max Stop Band Att. (dB) Insertion Loss (dB)ma In/Output Impedance (ohm)
Part No. CFH CFL
CFH455H SFP455H (+ -)3 40 60 6 1.5 4 1500
CFL455H SFP455H (+ -)3 50 75 6 1.5 6 1500

1 In
2 Gnd
3 Out
1 In
2 3 4 Gnd
5 Out

10.7M Series of Ceramic Filter for FM(LT10.7MA5/A8/G3)

①Input

②Ground

③Output

Standard Rule
Center Frequency Color
D:10.64MHz±30KHz Black
B:10.67MHz±30KHz Blue
A:10.70MHz±30KHz Red
C:10.73MHz±30KHz Orange
F:10.76MHz±30KHz white


TECHNICAL CHARACTERISTICS

Part Number 3dB Band Width (KHz) 20dB Band Width (KHz) Insertion Loss (dB) Spurious Response 9-12MHz(dB) G.D.T Band Width (KHz) min
LT10.7MA5 280±50 ≤650(520) ≤6(4) ≥80(43) -
LT10.7MA8 280±50 ≤650(520) ≤6(4) ≥80(43) 0.5μSec.fo±80(±100)
LT10.7MG3 180±40 ≤520 ≤7(5) ≥40 -

TEST CIRCUIT

CHARACTERISTICS

10.7M Series of Ceramic Discriminator FOR FM (JT10.7MG3)

Standard Rule
Center Frequency Color
D:10.64MHz±30KHz Black
B:10.67MHz±30KHz Blue
A:10.70MHz±30KHz Red
C:10.73MHz±30KHz Orange
F:10.76MHz±30KHz white


TECHNICAL CHARACTERISTICS

Part Number Demodulation Output (mV) Distortion Factor (%) Detection Method Applied IC
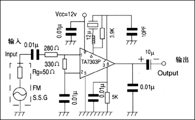
JT10.7MG3 ≥500 ≤1 Differential Peak TA7130P μPC1028H
LA1150 TA7303P

EXAMPLE OF APPLICATION

LC Ceramic Filter

Product
Types
Centre
Frequency(kHZ)
Insertion
Loss(dB)
Band Wide
(KHz)
Band
Fluctuation
(dB)
Selectivity
(Loss)(dB)
Insertion
Loss(dB)
Reflectire Loss In/Output
Impedance
(ohm)
Main use
47/48 MHz 51.5/230 MHz 47/48 MHz 51.5/230 MHz
BPF87-108M 86-110MHz < =3
* <=15 >=14 * * * * 75 a
HP38001 * * * * 25 2dB 1dB 10dB 15dB 75 b
HP38003 * * * * 25-30 2dB 1dB 10dB 15dB 75 b


a : Frequency Modulation Recoder .
b: Receiver of broadcast and TV set.


Piezolectric pottery sherd

Note: The measure, electromagnetism function
and inbex can be made to
costomers' order.








  • Contact Us
    Tel:0086 573 87613218
    Fax:0086 573 87611362
    P.C.:314411
    Email:sales@sanmu.com.cn
    Add:No.70 Liancheng Road, Yanguan Town, Haining City, Zhejiang, China
    Website:http://www.sanmu.com.cn/
  • Scan two-dimensional code watch us
© Copyright 2018 Haining Sanmu Electrons Co.,Ltd All rights reserved. 浙ICP备14000586号浙公网安备33048102250538号